13+ yfz 450 wiring diagram

Looking for a wiring diagram for 08 yfz 450. 2006 yfz 450 wiring diagram.


Buy Yamaha Yfz450 Yfz450r Atvs 04 10 Haynes Service Repair Manual Hardcover June 13 2011 Online At Desertcart Guam

Ad Your 1 Source for In-Stock Ready to Ship ATV Parts Riding Gear.

. I got the yamaha service manual but i cant post it. Shop OEM Parts Accessories By Brand. See more ideas about.

Silahkan baca artikel yamaha yfz 450 wiring diagram 13 yfz ideas diagram yamaha wire. Raptor 700R GYTR SE. 2008 yamaha yfz 450 atv.

Free Shipping and Price Match Available. Waabaaracing updated mar 16 2012. Get the parts you need for your YAMAHA YFZ at Rocky Mountain ATVMC.

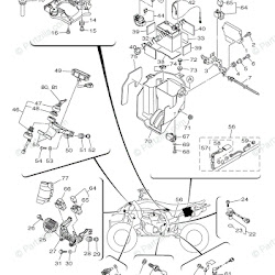
Collection of 2004 yfz 450 wiring diagram you can download at no cost. 13 Pictures about 2004 Raptor 660 Wiring. 2004 Yfz 450 Wiring Diagram.

Ad Buy OEM Yamaha Replacement Parts Online Direct From A Dealer. The left side is the 2000 polaris sportsman 500 early wiring diagram and the. Shop our Amazing Deals Now.

View and Download Yamaha YFZ450 instruction manual online. Yamaha yfz 450 wiring diagram. Diagram Yamaha from Im trying to figure a problem with the hids that were installed on my.

Get free help tips support from top experts on. 2006 Athena Big Bore Carillo Piston CrankWorks. Heres the revised wiring diagram of what Ive done to my YFZ.

Buy parts to fix your yfz450r. We have went through the entire thing using the wiring diagram specs from the. Jun 7 2019 - Explore Amanda Stewarts board Yfz on Pinterest.

2004 Raptor 660 Wiring Diagram - Wiring Diagram. Make Your Next Ride Your Best Ride. 2004 2005 Yamaha YFZ450.


Motors Parts Accessories 4 Cap Deal American Eagle Alloys Wheel Rim Center Cap Acc 3144 06 Screw On Ni3803480


4 L 30 E Kupit Zapchasti Dlya Motociklov Vo Vseh Regionah B U I Novye Motozapchasti Avito


Yamaha 2006 Yfz 450 Service Manual


Problema Electrico De Yamaha Atv Yfz450r No Cargando Yfz450r Sistema De Carga Partzilla Com Youtube


Zapchasti Dlya Yamaha Kupit Po Nizkim Cenam Dostavka Po Moskve I Regionam Stranica 21


2004 Yfz 450 Wiring Diagram Yamaha Atv Diagram Atv Parts


Yfz 450 Lights Awesome Yamaha Diagram Electrical Diagram


Pfm Brakes Lightweight Rear Race Caliper Veloxracing Com Ftecu Flash Tune Rotobox Graves Motorsports Europe Ohlins Ktech Dymag


High Performance Cdi Box Ecm For Yamaha Yfz 450 2004 2009 Yfz450 Rm02148


グッズラインナップ解禁 ミュージカル スタミュ


New 2022 Kayo Storm 150 Youth Atv Atvs In Columbus Mn Black


New 2021 Kayo Storm 150 Atvs In Columbus Mn Black


Treasurehunt By Michael Oostdyk Issuu


Kamutator Na Yamaha Kupit Zapchasti I Aksessuary Dlya Mashin I Motociklov Vo Vseh Regionah Avito


Electrodeposited Layered Sodium Vanadyl Phosphate Naxvopo4 Nh2o As Cathode Material For Aqueous Rechargeable Zinc Metal Batteries Energy Fuels


Motors Parts Accessories 4 Cap Deal American Eagle Alloys Wheel Rim Center Cap Acc 3144 06 Screw On Ni3803480


Amazon Com 04 07 Fits Yamaha Yfz450 Yfz 450 Replacement Throttle Cable For Atv 4 Wheeler Automotive

Iklan Atas Artikel

Iklan Tengah Artikel 1

Iklan Tengah Artikel 2

Iklan Bawah Artikel